Anasayfa
Kurumsal
Ürünler
İletişim
Anasayfa
Kurumsal
Ürünler
İletişim
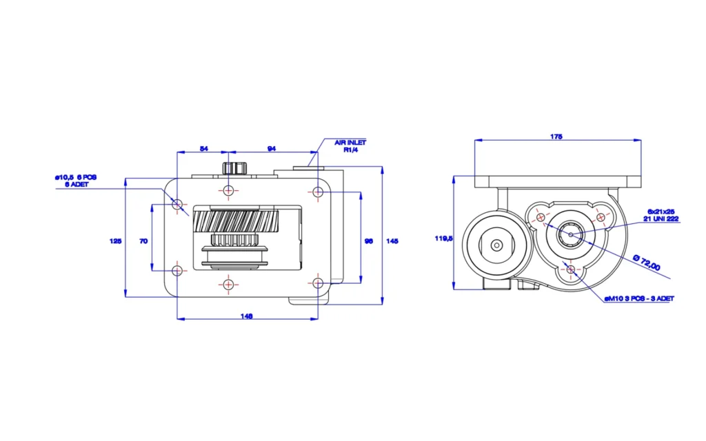
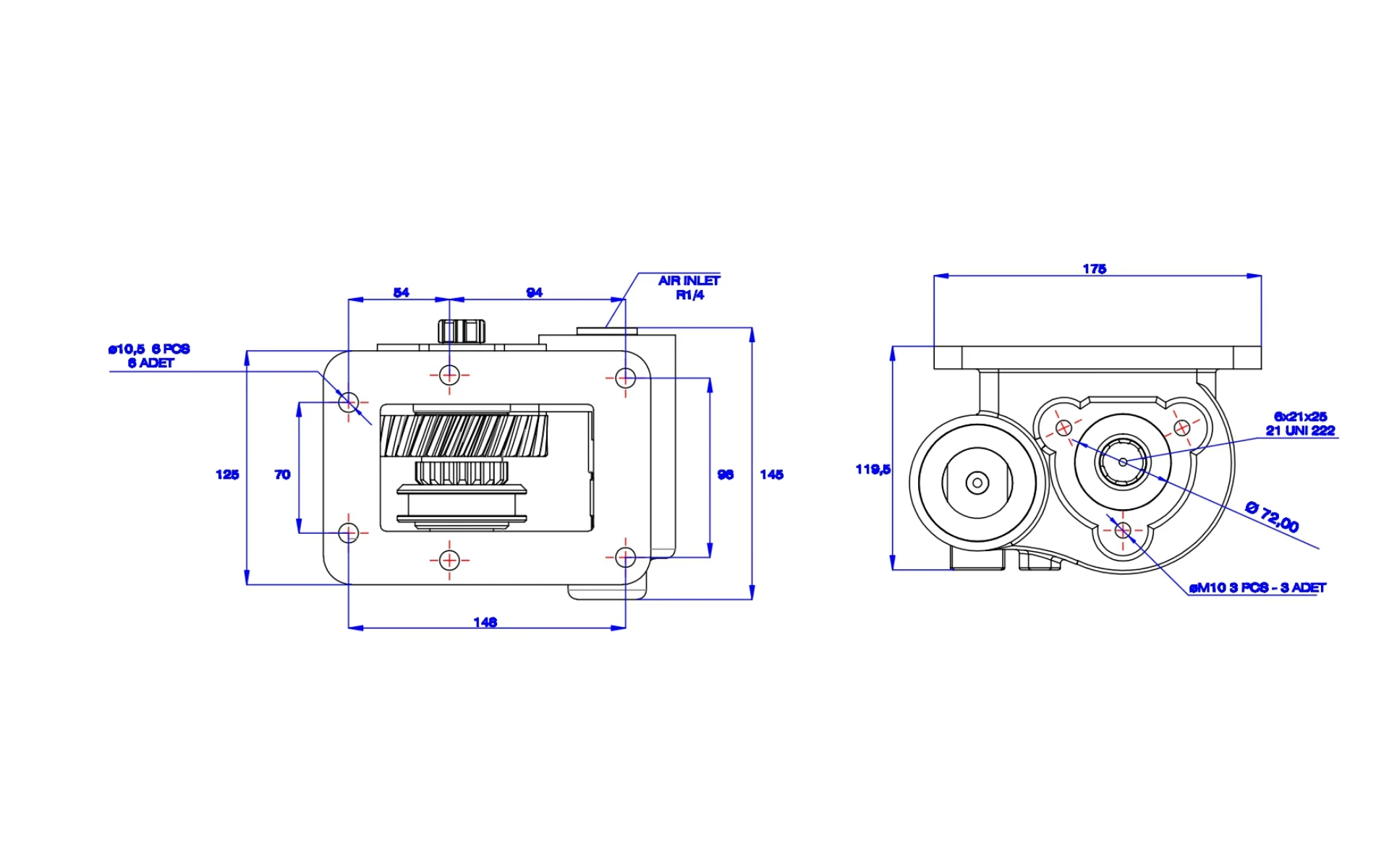
MO 35S5 UNIHAV
Teknik Detaylar
Ürün Kodu
G-F150-02-Y-50-A
Dişli Tipi
Helis
P.T.O Tipi
Tek Dişli
Tork (Nm)
176 Nm.
Tork (Kgm)
18 Kgm.
Güç Hp
21,7 Hp.
Güç Kw
16 Kw.
Devir
1:1
Bağlantı Yeri
Sol Yan
Kontrol Sistemi
Havalı
Dönüş Yönü
Sağ
Ağırlık
5,00 Kg.
Ana Şanzıman
35 S 5
714
722
Kullanılan Araçlar
MITSUBISHI